г. Тюмень, ул. Магнитогорская, 11, корпус 1, офис 13
+7 (3452) 56-81-56
Двигатели асинхронные с короткозамкнутым ротором взрывозащищенные серий ВАО, 1ВАО (серии имеют одинаковые конструктивные особенности и технические характеристики) закрытого исполнения предназначены для привода механизмов внутренних и наружных установок, которые эксплуатируются во взрывоопасных зонах, где могут образоваться взрывоопасные смеси газов и паров категорий IIB по ГОСТ 30852.11-2002 и группе Т4 по классификации ГОСТ 30852.5-2002, в соответствии с требованиями ГОСТ 30852.13-2002, ГОСТ 30852.14-2002 и ПУЭ (глава 7.3). Применяются на производствах химической, газовой, нефтеперерабатывающей и других смежных отраслей промышленности, в которых возможно образование взрывоопасных паров и газовоздушных смесей.
Двигатели допускают эксплуатацию при высоте до 4300 м над уровнем моря. Электродвигатели сохраняют прочность и работоспособность во время и после сейсмического воздействия 10 баллов по MSK-64.
Двигатели имеют маркировку 1ExdIIBT4 по ГОСТ 30852.0-2002. Вид взрывозащиты – «взрывонепроницаемая оболочка» с высокой степенью механической прочности по ГОСТ 30852.1-2002. Максимальная температура наружной поверхности оболочки не превышает 135°С.
- Степень пылевлагозащиты двигателя - IP55. Степень пылевлагозащиты кожуха вентилятора: со стороны входа воздуха - IP20, со стороны выхода воздуха - IP10 по ГОСТ 14254-96;
- Режим работы - S1, продолжительный режим работы;
- Питание от сети переменного тока 50 Гц напряжением 220/380В, 380В, 380/660В;
- Климатическое исполнение и категория размещения У2, УХЛ2, Т2;
- Использование эмаль провода класса изоляции F (155 °С) или H (180 °С);
- Датчики температурной защиты обмоток статора (в стандартном исполнении от 160 габарита).
- Естественный способ охлаждения без дополнительного обдува (система охлаждения IC0041 по ГОСТ Р МЭК 60034-6-2012);
- Подготовка для работы в составе ЧРП без применения независимой вентиляции: изоляция класса N, выдерживающая перегрев до 200 °C, и токоизолированный подшипник;
- Установка подшипников повышенной прочности;
- Установка дополнительных коробок выводов для подключения датчиков температуры обмоток для габаритов 315-355;
- Установка дополнительных площадок для подключения датчиков вибрации и аппаратуры КИПиА на корпусе электродвигателя;
- Установка датчиков удара, энкодеров, контроллеров;
- Удлиненный вал (по чертежам заказчика);
- Использование эмаль провода класса изоляции N (200 °С) или R (220 °С);
- Использование специальных окрасочных материалов и схем окраски.
1ВАО 250 М2, где:
1 – порядковый номер серии;
ВАО - обозначение серии (взрывозащищенный асинхронный обдуваемый);
250 - высота оси вращения двигателя в мм (габарит);
М - установочная длина станины электродвигателя (вариант длины сердечника);
2 - число полюсов (на 3000 об. в мин.)
| Марка электродвигателя | Ток, А | Мощность, кВт | Частота вращения, об/мин | КПД, % | Cosφ | Кратности | Масса, кг | |||
|---|---|---|---|---|---|---|---|---|---|---|
| 380 | 660 | |||||||||
| Мп/Mн | Мm/Мн | Iп/Iн | ||||||||
| ВАО 250S2 | 135,00 | 77,73 | 75 | 2975 | 93,6 | 0,90 | 2,0 | 2,3 | 7,0 | 450 |
| BAO 250M2 | 160,00 | 92,12 | 90 | 2975 | 93,9 | 0,91 | 2,0 | 2,3 | 7,1 | 530 |
| BAO 250S4 | 138,30 | 79,63 | 75 | 1480 | 93,6 | 0,88 | 2,2 | 2,3 | 6,8 | 450 |
| BAO 250M4 | 165,50 | 95,29 | 90 | 1480 | 93,9 | 0,88 | 2,2 | 2,3 | 6,8 | 495 |
| BAO 250S6 | 86,00 | 28,67 | 45 | 980 | 92,5 | 0,86 | 2,1 | 2,0 | 7,0 | 465 |
| BAO 250M6 | 104,00 | 34,67 | 55 | 980 | 92,8 | 0,86 | 2,1 | 2,0 | 7,0 | 520 |
| BAO 250S8 | 78,00 | 44,91 | 37 | 740 | 91,5 | 0,79 | 1,9 | 2,0 | 6,6 | 465 |
| BAO 250M8 | 94,00 | 54,12 | 45 | 740 | 92,0 | 0,79 | 1,9 | 2,0 | 6,6 | 520 |
| ВАО 280S2 | 195,00 | 112,27 | 110 | 2975 | 94,0 | 0,91 | 1,8 | 2,2 | 7,1 | 650 |
| BAO 280M2 | 233,00 | 134,15 | 132 | 2975 | 94,5 | 0,91 | 1,8 | 2,2 | 7,1 | 745 |
| BAO 280S4 | 201,00 | 115,73 | 110 | 1480 | 94,5 | 0,88 | 2,1 | 2,2 | 6,9 | 650 |
| BAO 280M4 | 240,00 | 138,18 | 132 | 1480 | 94,8 | 0,88 | 2,1 | 2,2 | 6,9 | 745 |
| BAO 280S6 | 142,00 | 81,76 | 75 | 985 | 93,5 | 0,86 | 2,0 | 2,0 | 6,7 | 635 |
| BAO 280M6 | 169,00 | 97,30 | 90 | 985 | 93,8 | 0,86 | 2,0 | 2,0 | 6,7 | 740 |
| BAO 280S8 | 111,00 | 63,91 | 55 | 740 | 92,8 | 0,81 | 1,8 | 2,0 | 6,6 | 635 |
| BAO 280M8 | 150,00 | 86,36 | 75 | 740 | 93,5 | 0,81 | 1,8 | 2,0 | 6,2 | 740 |
| ВАО 315S2 | 279,00 | 160,64 | 160 | 2975 | 94,6 | 0,92 | 1,8 | 2,2 | 7,1 | 1170 |
| BAO 315M2 | 348,00 | 200,36 | 200 | 2975 | 94,8 | 0,92 | 1,8 | 2,2 | 7,1 | 1460 |
| BAO 315S4 | 288,00 | 165,82 | 160 | 1480 | 94,9 | 0,89 | 2,1 | 2,2 | 6,9 | 1120 |
| BAO 315M4 | 360,00 | 207,27 | 200 | 1480 | 94,9 | 0,89 | 2,1 | 2,2 | 6,9 | 1385 |
| BAO 315S6 | 207,00 | 119,18 | 110 | 985 | 94,0 | 0,86 | 2,0 | 2,0 | 6,7 | 1050 |
| BAO 315M6 | 245,00 | 141,06 | 132 | 985 | 94,2 | 0,87 | 2,0 | 2,0 | 6,7 | 1210 |
| BAO 315S8 | 178,00 | 102,48 | 90 | 740 | 93,8 | 0,82 | 1,8 | 2,0 | 6,4 | 1050 |
| BAO 315M8 | 217,00 | 124,94 | 110 | 740 | 94,0 | 0,82 | 1,8 | 2,0 | 6,4 | 1210 |
| ВАО 355S2 | 433,00 | 249,30 | 250 | 2980 | 95,2 | 0,92 | 1,6 | 2,2 | 7,1 | 1900 |
| BAO 355M2 | 545,00 | 313,79 | 315 | 2980 | 95,4 | 0,92 | 1,6 | 2,2 | 7,1 | 2300 |
| BAO 355S4 | 443,00 | 255,06 | 250 | 1490 | 95,2 | 0,90 | 2,1 | 2,2 | 6,9 | 1820 |
| BAO 355M4 | 559,00 | 321,85 | 315 | 1490 | 95,2 | 0,90 | 2,1 | 2,2 | 6,9 | 2243 |
| BAO 355S6 | 292,00 | 168,12 | 160 | 990 | 94,5 | 0,88 | 1,9 | 2,0 | 6,7 | 1625 |
| BAO 355MA6 | 365,00 | 210,15 | 200 | 990 | 94,5 | 0,88 | 1,9 | 2,0 | 6,7 | 1781 |
| BAO 355MB6 | 457,00 | 263,12 | 250 | 990 | 94,5 | 0,88 | 1,9 | 2,0 | 6,7 | 1810 |
| BAO 355S8 | 261,00 | 150,27 | 132 | 740 | 93,7 | 0,82 | 1,8 | 2,0 | 6,4 | 2080 |
| BAO 355MA8 | 315,00 | 181,36 | 160 | 740 | 94,2 | 0,82 | 1,8 | 2,0 | 6,4 | 2225 |
| BAO 355MB8 | 387,00 | 222,82 | 200 | 740 | 94,5 | 0,83 | 1,8 | 2,0 | 6,4 | 2372 |
Указанная частота вращения (синхронная частота) является справочной характеристикой. Принимая во внимание принцип работы асинхронного электродвигателя, в результате механических потерь номинальная частота вращения всегда ниже синхронной. Данные отличия не влияют на эксплуатационные характеристики оборудования.
Указанная масса электродвигателя является справочной характеристикой. Точная масса указана на паспортной табличке электродвигателя. Данные отличия не влияют на эксплуатационные характеристики оборудования.

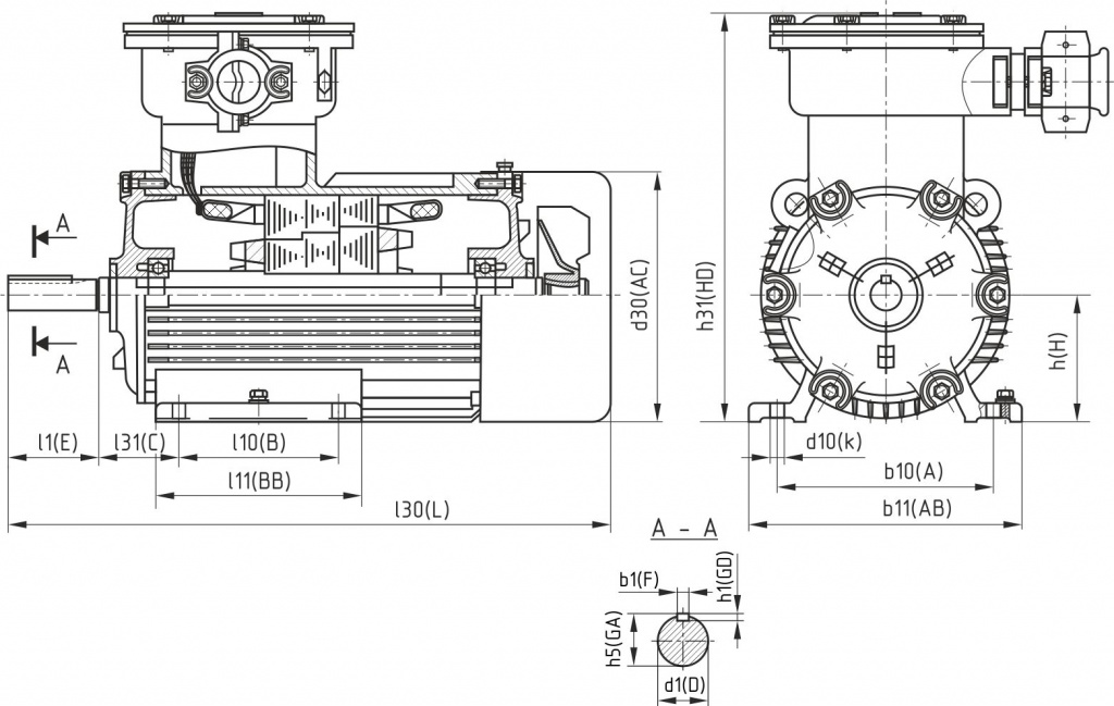
| Марка электродвигателя | Габаритные размеры | Установочные и присоединительные размеры | |||||||||||||||
|---|---|---|---|---|---|---|---|---|---|---|---|---|---|---|---|---|---|
| l30 | h31 | d30 | b31 | b10 | b11 | l10 | l11 | l31 | d1 | l1 | b1 | h5 | h1 | h | d10 | b31 | |
| L | HD | AC | AD | A | AB | B | BB | C | D | E | F | GA | GD | H | K | HA | |
| ВАО 250S-2 | 980 | 682 | 490 | 420 | 406 | 490 | 311 | 420 | 168 | 65 | 140 | 18 | 69 | 11 | 250 | 24 | 30 |
| ВАО 250M-2 | 980 | 682 | 490 | 420 | 406 | 490 | 349 | 420 | 168 | 65 | 140 | 18 | 69 | 11 | 250 | 24 | 30 |
| ВАО 250S4,6,8 | 980 | 682 | 490 | 420 | 406 | 490 | 311 | 420 | 168 | 75 | 140 | 20 | 79,5 | 12 | 250 | 24 | 30 |
| ВАО 250M4,6,8 | 980 | 682 | 490 | 420 | 406 | 490 | 349 | 420 | 168 | 75 | 140 | 20 | 79,5 | 12 | 250 | 24 | 30 |
| ВАО 280S2 | 1080 | 730 | 550 | 440 | 457 | 540 | 368 | 438 | 190 | 75 | 140 | 20 | 79,5 | 12 | 280 | 24 | 35 |
| ВАО 280M2 | 1080 | 730 | 550 | 440 | 457 | 540 | 419 | 438 | 190 | 75 | 140 | 20 | 79,5 | 12 | 280 | 24 | 35 |
| BAO 280S4,6,8 | 1110 | 730 | 550 | 440 | 457 | 540 | 368 | 489 | 190 | 80 | 170 | 22 | 85 | 14 | 280 | 24 | 35 |
| BAO 280M4,6,8 | 1110 | 730 | 550 | 440 | 457 | 540 | 368 | 489 | 190 | 80 | 170 | 22 | 85 | 14 | 280 | 24 | 35 |
| ВАО 315S2 | 1280 | 910 | 630 | 575 | 508 | 628 | 457 | 550 | 216 | 75 | 140 | 20 | 79,5 | 12 | 315 | 28 | 45 |
| ВАО 315M2 | 1280 | 910 | 630 | 575 | 508 | 628 | 457 | 550 | 216 | 75 | 140 | 20 | 79,5 | 12 | 315 | 28 | 45 |
| BAO 315S4,6,8 | 1400 | 910 | 630 | 575 | 508 | 628 | 457 | 680 | 216 | 90 | 170 | 25 | 95 | 14 | 315 | 28 | 45 |
| ВАО 315M4,6,8 | 1400 | 910 | 630 | 575 | 508 | 628 | 457 | 680 | 216 | 90 | 170 | 25 | 95 | 14 | 315 | 28 | 45 |
| ВАО 355S2 | 1550 | 1050 | 700 | 640 | 610 | 726 | 500 | 636 | 216 | 85 | 170 | 22 | 90 | 14 | 355 | 28 | 45 |
| ВАО 355M2 | 1550 | 1050 | 700 | 640 | 610 | 726 | 560 | 636 | 216 | 85 | 170 | 22 | 90 | 14 | 355 | 28 | 45 |
| ВАО 355S4,6,8,10 | 1630 | 1050 | 700 | 640 | 610 | 726 | 500 | 696 | 216 | 100 | 210 | 28 | 106 | 16 | 355 | 28 | 45 |
| ВАО 355M4,6,8,10 | 1630 | 1050 | 700 | 640 | 610 | 726 | 560 | 696 | 216 | 100 | 210 | 28 | 106 | 16 | 355 | 28 | 45 |
| ВАО 355L | 1740 | 1050 | 700 | 640 | 610 | 726 | 630 | 766 | 254 | 100 | 210 | 28 | 106 | 16 | 355 | 28 | 45 |
Указанные размеры являются справочной характеристикой. Производитель имеет право вносить изменения в конструкцию электродвигателя, в результате чего фактические габаритные и присоединительные размеры могут отличаться от значений в каталоге или на сайте.